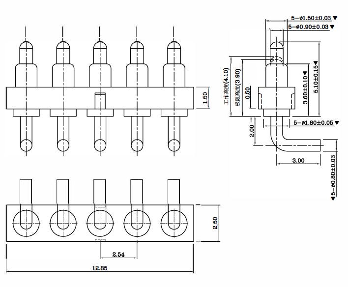
מחבר פין פוגו זכר ונקבה מלאך ימני 5PIN
אצבעון הקפיץ הוא בדיקה מסוג קפיץ שנוצרה על ידי שלושת החלקים החיוניים של המחט, צינור המחט והקפיץ לאחר מרותק על ידי מכשיר מדויק. זה נקרא גם סיכת פוגו, עמוד אלקטרודה קפיצי פוגופין, קפיץ טעון, או פוגופין. החלק התחתון של המחט של אצבעון הקפיץ הוא בדרך כלל מבנה שפוע.

תפקידו של מבנה השיפוע הוא להבטיח שהפוגופין שומר את היד במגע עם הדופן הפנימית של צינור המחט כאשר הוא פועל כך שהזרם עובר בעיקר דרך המחט המצופה זהב וצינור המחט כדי להבטיח יציבות ונמוכה. עכבה של הפוגופין.

אצבעוני קפיץ משמשים בדרך כלל בחיבורים מדויקים במוצרים אלקטרוניים כגון טלפונים ניידים, תקשורת, מכוניות, רפואה, תעופה וחלל וכו'; מכיוון שאצבעון הקפיץ הוא בדיקה מצוינת, ניתן להקטין את הנפח, כך שהוא יכול להפחית את עלות החיבור בשימוש במחברים מדויקים. הפחיתו את משקל המכשיר, חסכו במקום ומייפות את מראה המוצר (כגון טלפונים ניידים דקים במיוחד, שעונים חכמים, סיגריות אלקטרוניות ועוד).

שישה סגנונות ומאפיינים נפוצים של פוגופין:
פוגופין שטוח: יציבות טובה, החלק התחתון של צינור המחט שטוח תחתית, קל להלחמה עם לוח ה-PCB
Pogopin Plug-in: יש סיכת מיקום בקצה צינור המחט, וכאשר הוא מולחם ללוח ה-PCB, לא תהיה סטייה והשפעת המיקום טובה;
כיפוף פוגופין: הזנב כפוף, ומספק למעצבים אפשרויות רבות יותר בניצול החלל;
פוגופין דו-ראשי: העיצוב של פעולת דו-ראש ופעולה כפולה מאפשר למהנדסים לקבל יותר גמישות שטח בחיבור הדו-כיווני של לוח ללוח.
פוגופין חוט הלחמה: מתאים לקצה כבל, קל להלחמה עם חוט
Pogopin עם הברגה: מוצרים עם מפרטים מיוחדים יכולים לענות על צרכים שונים של לקוחות.

